
繼電保護測試儀使用可參考水利電力部電力生產司編的《保護繼電器校驗》水利電力出版社一書。
1、測量:
可作為單獨的電壓、電流源使用,但須注意各項輸出功率,以免損壞儀器。具體操作按“四”進行。
2、過量程、欠量程:測量各種繼電器的啟動值、返回值、返回系數及觸點動作時間(包括電壓、電流繼電器)。
過量程是指繼電器觸點合上為動作值的繼電器,欠量程是指以繼電器觸點分開為動作值的繼電器。
繼電器的動作值、返回值及返回系數的測量:
按照前面“四”來調節輸出電源,選擇T3至?狀態,將同步開關按下,緩慢調節T4旋鈕至繼電器動作,觀察指示燈由滅變亮,此時X1的顯示為其動作值。繼續調節T4至該繼電器額定值后,再緩慢將T4調回至繼電器返回,觀察指示燈由亮變滅,此時X1的顯示為返回值。用返回值除以動作值再乘以100%即為返回系數。
繼電器的時間測量:
按照前面“四”來調節輸出電源,選擇T3至繼電器的觸點狀態,將同步開關按下,緩慢調節T4旋鈕至繼電器的額定值。通過同步開關,可測得繼電器的時間(2的顯示值)。注意測試前須將毫秒表清零,合閘開關在開的位置。
同步開關與觸點狀態對應關系如下:
ⅠⅢ狀態,同步開關由關至開;
ⅡⅣ狀態,同步開關由開至關。
觸點接線如下:
3、時間繼電器的測量與上述方法相同。
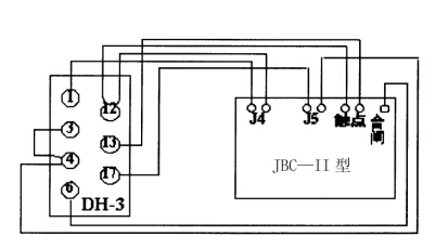
4、重合閘(以DH—3重合閘為例):
DH—3型重合閘繼電器操作如下:
按圖接線,(3)(4)接J5黑柱(負極),(17)接J5紅柱(正極)。
注意:若用ZJ3觸點停止毫秒表時,應注意將ZJ3接到(12)腳的接線斷開,將ZJ3觸點分離開來(見《保護繼電器檢驗》352頁),把T1旋到DC20A檔,打開電源開關調節T4至繼電器額定電流值。關掉電源開關,將T2調至繼電器的額定電壓值。將T3調至Ⅰ位置(即繼電器ZJ3的觸點狀態)。打開電源開關,按下定值輸出開關,充電15~25秒后(毫秒表上可讀出充電時間),將毫秒表復位,按下“重合閘開關”,測量重合閘時間,X2顯示的值為重合閘繼電器的重合閘時間。