
干式試驗變壓器現場操作圖
控制線路圖
普通操作臺線路圖:如下
試驗現場布置
1、交流耐壓試驗接線圖
2、直流泄漏試驗接線圖
串激組合試驗接圖
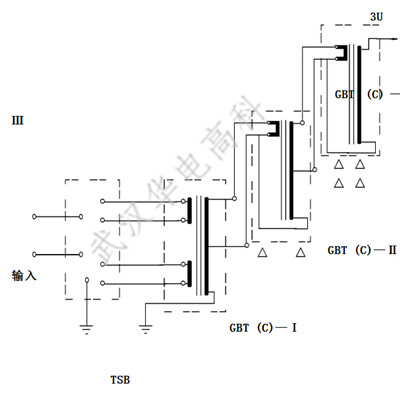
⑴、串級接線
TSB—操作臺
GBT(C)—Ⅰ—第一組試變
GBT(C)—Ⅱ—第二組試變
GBT(C)—Ⅲ—第三組試變
△—絕緣支架
⑵、概述
為了方便電力系統的現場等級的試驗,我們專們設計和生產用多臺輕型試驗變壓器串激組合GBT(C)系列試驗設備。由于分散組合能力方便使用,故可適應現場多種需要。每個單元重量輕,運輸和移動方便,使現場能順利取得較高的試驗電源。
⑶、工作原理
GBT(C)系列高壓試驗裝置,除最高電壓一級外,都在高壓繞組中串繞激磁組。該繞組和后一級試驗變壓器初級線圈參數相同。
由控制箱供給第Ⅰ級試驗變壓器繞組電源。第Ⅰ級高壓繞組尾端和外殼接地,首端和第Ⅱ級試驗變壓器高壓尾及外殼連接。由第Ⅰ 級串激抽頭供給第Ⅱ級低壓繞組的勵磁電源,此時Ⅱ級試驗變壓器輸出為第Ⅰ和第Ⅱ級輸出疊加。同理,可疊加第Ⅲ級。
華電高科主要經營電氣設備、電子產品、儀器儀表制造、安裝;計算機軟件開發;電子元器件、電線電纜、五金交電批發等串聯諧振實驗裝置、絕緣耐壓測試設備、避雷器電纜測試設備、繼保/回路測試設備、開關斷路器檢測設備、蓄電池/直流測試設備等。華電高科供應電力檢測設備、高壓試驗設備、電力實驗設備、電力檢修設備等產品,真正的為客戶創造價值、節省費用,實現“設備永續、設備無憂”!